
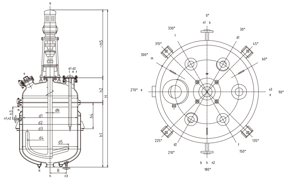
Subject to the drawings
| Tank Interior | Jacket | |
| Design Pressure (MPa) | 0.4 | 0.6 |
| Design Temperature (°C) | -20/200 | -20/165 |
| Symbol | Function | |
| a | Manhole | |
| b | Agitator Nozzle | |
| c | Thermowell Nozzle | |
| d1, d2 | Sight Glass Nozzle | |
| e, f | Spare Nozzle | |
| h | Discharge Port | |
| n1-3 | Jacket Inlet (Outlet) | |
| m, k | Vent Port, Drain Port | |
| Model Specification | K-50 | K-100 | K-200 | K-300 | K-500 | |
| Nominal Volume (L) | 50 | 100 | 200 | 300 | 500 | |
| Total Volume (L) | 102 | 180 | 315 | 453 | 672 | |
| Calculated Volume (L) | 71 | 128 | 247 | 369 | 588 | |
| Jacket Volume (L) | 21 | 40 | 68 | 90 | 130 | |
| Heat Transfer Area (m²) | 0.34 | 0.96 | 1.5 | 1.75 | 2.6 | |
| Reference Weight (kg) | 420 | 430 | 730 | 1015 | 1295 | |
| Main Dimensions (mm) | d1 | 500 | 600 | 700 | 800 | 900 |
| d2 | 600 | 700 | 800 | 900 | 1000 | |
| d3 | 706 | 981 | 927 | 1028 | 1140 | |
| d4 | 420 | 520 | 620 | 720 | 810 | |
| d5 | 300 | 300 | 400 | 500 | 500 | |
| h1 | 400 | 500 | 700 | 800 | 1000 | |
| h2 | 200 | 235 | 350 | 390 | 405 | |
| h3 | 240 | 240 | 230 | 250 | 270 | |
| h4 | 300 | 330 | 360 | 380 | 400 | |
| h | 1785 | ~1891 | ~2426 | ~2770 | ~3030 | |
| B | 250 | 250 | 250 | 270 | 270 | |
| Glass-Lined Nozzle Nominal Diameter (mm) | a | 80 | 80 | 125 | 125 | 150 |
| b | 65 | 65 | 80 | 100 | 100 | |
| c | 65 | 65 | 65 | 65 | 125 | |
| d1 | 65 | 65 | 65 | 80 | 80 | |
| d2 | 65 | 65 | 65 | 80 | 80 | |
| e, f | 65 | 65 | 65 | 80, 65 | 100, 125 | |
| h | 65 | 65 | 80 | 80 | 80 | |
| k | Rp1/2" | Rp1/2" | Rp1/2" | Rp1/2" | Rp1/2" | |
| Jacket Nozzle Nominal Diameter (mm) | n1 | 20 | 20 | 25 | 25 | 32 |
| n2 | 20 | 20 | 25 | 25 | 32 | |
| n3 | 20 | 20 | 25 | 25 | 32 | |
| m | Rp1/2" | Rp1/2" | Rp1/2" | Rp1/2" | Rp1/2" | |
| Drive Unit | dN | 40 | 40 | 50 | 65 | 65 |
| h5 | 950 | 950 | 1154 | 1154 | 1154 | |