
| Inside the Tank | Jacket | |
| Design Pressure | 0.4 | 0.6 |
| Design Temperature | -20/200 | -20/165 |
| Model | Application | |
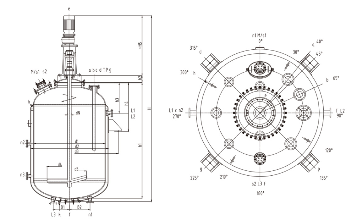
| a,b,c,d | Spare Nozzle | |
| e | Mixing Hole | |
| f | Discharge Outlet | |
| h,k | Air Vent\Drain Port | |
| s2 | Sight Glass口 | |
| L1-3 | Inlet (Outlet) | |
| n1-3 | Inlet (Outlet) | |
| T | Thermometer Hole | |
| M/S1 | Sight Glass Manhole | |
| Model | F1500 | F2000 | F3000 | F4000 | F5000 | F6300 | |
| Nominal Volume (L) | 1500 | 2000 | 3000 | 4000 | 5000 | 6300 | |
| Total Volume(L) | 2020 | 2410 | 4420 | 4795 | 5920 | 6900 | |
| Jacket Volume(L) | 301 | 500 | 610 | 805 | 870 | 1015 | |
| Heat Transfer Area(m2) | 5.9 | 7.3 | 9.4 | 12.44 | 13.46 | 16.36 | |
| Weight(kg) | 2120 | 2235 | 3285 | 3905 | 4410 | 5200 | |
| Size mm | d1 | 1300 | 1300 | 1600 | 1600 | 1750 | 1750 |
| d2 | 1450 | 1450 | 1750 | 1750 | 1900 | 1900 | |
| d3 | 1622 | 1622 | 2221 | 1964 | 2412 | 2152 | |
| d4 | 680 | 680 | 720 | 720 | 720 | 720 | |
| d5 | 700 | 700 | 800 | 800 | 850 | 850 | |
| h1 | 1801 | 2115 | 2250 | 2730 | 2849 | 3244 | |
| h2 | 155 | 155 | 170 | 170 | 170 | 170 | |
| h3 | 680 | 680 | 780 | 780 | 840 | 850 | |
| h4 | 975 | 1020 | 1060 | 1060 | 1200 | 1200 | |
| B1 | 350 | 350 | 400 | 400 | 400 | 400 | |
| B2 | 510 | 510 | 510 | 510 | 510 | 510 | |
| Glass-lined Nozzle Nominal Diameter | a | 100 | 100 | 100 | 100 | 125 | 125 |
| b | 125 | 125 | 125 | 125 | 150 | 150 | |
| c | 100 | 100 | 100 | 100 | 125 | 125 | |
| d | 100 | 125 | 125 | 125 | 125 | 125 | |
| e | 125 | 125 | 150 | 150 | 150 | 125 | |
| f | 125 | 100 | 125 | 125 | 125 | 150 | |
| h | Rp1/2" | Rp1/2" | Rp1/2" | Rp1/2" | Rp1/2" | Rp1/2" | |
| k | Rp1/2" | Rp1/2" | Rp1/2" | Rp1/2" | Rp1/2" | Rp1/2" | |
| s2 | 100 | 100 | 125 | 125 | 125 | 125 | |
| Jacket Nozzle Nominal Diameter | L1 | 40 | 40 | 50 | 50 | 65 | 65 |
| L2 | 40 | 40 | 50 | 50 | 65 | 65 | |
| L3 | 40 | 40 | 50 | 50 | 65 | 65 | |
| n1 | 50 | 50 | 50 | 50 | 65 | 65 | |
| n2 | 50 | 50 | 50 | 50 | 65 | 65 | |
| T | 125 | 125 | 100 | 125 | 150 | 125 | |
| M/S1 | 400x300/125 | 400x300/125 | 400x300/125 | 400x300/125 | 400x300/125 | 400x300/125 | |
| Drive Unit | dN | 80 | 80 | 95 | 95 | 95 | 95 |
| H5 | 1257 | 1257 | 1360 | 1360 | 1360 | 1530 | |