
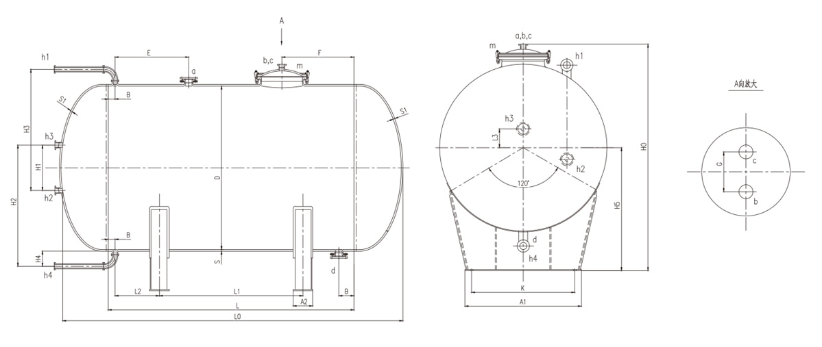
| Nominal VolumeVN L | Actual VolumeV L | Diameter D | Cylinder | Head Wall Thickness | Nozzle Nominal Diameter,DN | Gauge Glass Nominal Length X Num | Reference Weight t | |||||||||||||
| Wall Thickness S | Length L | Import a | Spare Nozzle b | Spare □ C | Outlet d | Gauge Glass h1 〜4 | Manhole m | |||||||||||||
| 3000 | 3337 | 1450 | 14 | 1454 | 14 | 80 | 80 | 65 | 80 | 65 | Φ450 | 1 200X1 1 100X1 | 1.7 | |||||||
| 4000 | 4457 | 1450 | 14 | 2134 | 14 | 80 | 80 | 65 | 80 | 65 | Φ450 | 1 200 X 1 1 100X1 | 2.0 | |||||||
| 5000 | 5550 | 1600 | 16 | 2140 | 16 | 80 | 80 | 65 | 80 | 65 | Φ450 | 1 200X2 | 2.5 | |||||||
| 6300 | 7024 | 1750 | 18 | 2254 | 18 | 80 | 80 | 65 | 80 | 65 | Φ450 | 1 300X2 | 3.2 | |||||||
| 8000 | 8910 | 1900 | 18 | 2430 | 18 | 80 | 80 | 65 | 80 | 65 | Φ450 | 1 400 X 1 1 300X1 | 3.8 | |||||||
| 10000 | 11094 | 2000 | 20 | 2780 | 20 | 150 | 80 | 65 | 150 | 65 | Φ450 | 1 400X2 | 4.7 | |||||||
| 12500 | 13921 | 2000 | 20 | 3680 | 20 | 150 | 80 | 65 | 150 | 65 | Φ450 | 1 400X2 | 5.7 | |||||||
| 16000 | 17756 | 2200 | 20 | 3840 | 20 | 150 | 80 | 65 | 150 | 65 | Φ450 | 1 500X2 | 6.7 | |||||||
| 20000 | 22330 | 2400 | 22 | 4030 | 22 | 150 | 80 | 65 | 150 | 65 | Φ450 | 1 600X2 | 8.3 | |||||||
| 25000 | 27790 | 2800 | 24 | 3480 | 24 | 150 | 80 | 65 | 150 | 65 | Φ450 | 1 900X1 1 800X1 | 9.9 | |||||||
| 30000 | 33300 | 3000 | 26 | 3630 | 26 | 150 | 80 | 65 | 150 | 65 | Φ450 | 2 000X1 1 900X1 | 12.3 | |||||||
| 40000 | 44000 | 3200 | 28 | 4300 | 28 | 200 | 80 | 65 | 200 | 65 | Φ450 | 2 100X1 2 000X1 | 15- 9 | |||||||
| 50000 | 55000 | 3400 | 30 | 4830 | 30 | 200 | 80 | 65 | 200 | 65 | Φ450 | 2 200X1 2 100X1 | 19.8 | |||||||
| 63000 | 69000 | 3600 | 32 | 5480 | 32 | 200 | 80 | 65 | 200 | 65 | Φ450 | 2 300X1 2 200X1 | 24.5 | |||||||
| 80000 | 88000 | 3800 | 34 | 6390 | 34 | 200 | 80 | 65 | 200 | 65 | Φ450 | 2 400X1 2 300X1 | 30.8 | |||||||
| Nominal Volume VN L | Size | |||||||||||||||||||
| L。 | L | l2 | 〜Ho | h1 | h2 | h3 | ||||||||||||||
| 3000 | 2288 | 934 | 210 | 223 | 2150 | 346 | 1200 | 1100 | ||||||||||||
| 4000 | 2968 | 1494 | 260 | 223 | 2150 | 346 | 1200 | 1100 | ||||||||||||
| 5000 | 3052 | 1420 | 300 | 146 | 2300 | 292 | 1200 | 1200 | ||||||||||||
| 6300 | 3246 | 1474 | 330 | 169 | 2450 | 338 | 1300 | 1300 | ||||||||||||
| 8000 | 3496 | 1590 | 370 | 194 | 2600 | 288 | 1400 | 1300 | ||||||||||||
| 10000 | 3900 | 1880 | 400 | 142 | 2700 | 284 | 1400 | 1400 | ||||||||||||
| 12500 | 4800 | 2740 | 400 | 142 | 2700 | 284 | 1400 | 1400 | ||||||||||||
| 16000 | 5080 | 2840 | 450 | 142 | 2900 | 284 | 1500 | 1500 | ||||||||||||
| 20000 | 5374 | 2930 | 500 | 140 | 3110 | 280 | 1600 | 1600 | ||||||||||||
| 25000 | 5028 | 2280 | 600 | 238 | 3510 | 376 | 1900 | 1800 | ||||||||||||
| 30000 | 5282 | 2370 | 630 | 236 | 3720 | 372 | 2000 | 1900 | ||||||||||||
| 40000 | 6060 | 2800 | 650 | 234 | 3900 | 368 | 2100 | 2000 | ||||||||||||
| 50000 | 6690 | 3230 | 700 | 232 | 4100 | 364 | 2200 | 2100 | ||||||||||||
| 63000 | 7440 | 3780 | 750 | 230 | 4300 | 360 | 2300 | 2200 | ||||||||||||
| 80000 | 8460 | 4590 | 800 | 228 | 4500 | 356 | 2400 | 2300 | ||||||||||||