
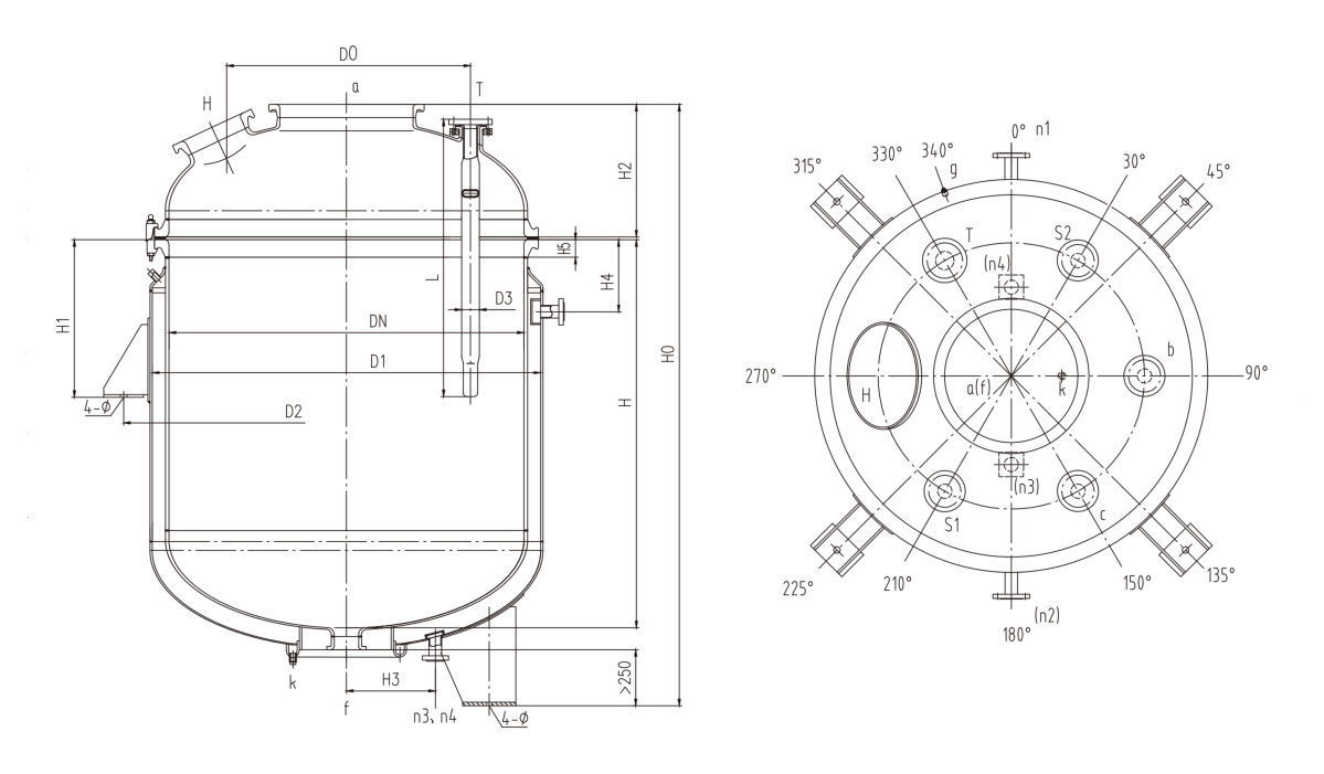
| Nominal Volume VN/L | Vessel Nominal Diameter | Vessel Head Nozzle Nominal Diameter | Jacket Nozzle Nominal Diameter | |||||||||
| K Type | F Type | Distillation Nozzle a | Manhole M | Thermometer Nozzle T | Sight Glass S1、S2 | Spare Hole b | Discharge Port f | Input Outlet | Air Release Valve g | Drain Port K | ||
| nl、n2 | n3、n4 | |||||||||||
| 300 | 800 | 150 | 125 | 65 | 80 | 80 | 80 | 25 | 25 | G3/8” | ||
| 500 | 900 | 200 | 150 | 125 | 100 | 80 | 80 | 32 | 32 | G3/8” | ||
| 800 | 1000 | 250 | 200 | 125 | 100 | 80 | 80 | 32 | 32 | G3/8” | ||
| 1000 | 1200 | 300 | 200 | 125 | 100 | 80 | 100 | 32 | 32 | G3/8” | ||
| 1200 | 400 | 200 | 125 | 100 | 80 | 100 | 32 | 32 | G3/8” | |||
| 1500 | 1300 | 400 | 400X300 | 150 | 100 | 80 | 100 | 40 | 40 | G3/8” | ||
| 1300 | 400 | 400X300 | 150 | 100 | 80 | 100 | 40 | 40 | G3/8” | |||
| 2000 | 1450 | 400 | 400X300 | 150 | 125 | 100 | 125 | 50 | 50 | G3/4” | G1/2" | |
| 1450 | 400 | 400X300 | 150 | 125 | 100 | 125 | 50 | 50 | G3/4" | |||
| 3000 | 1600 | 500 | 400X300 | 150 | 125 | 100 | 125 | 65 | 65 | G3/4" | ||
| 1600 | 500 | 400X300 | 150 | 125 | 100 | 125 | 65 | 65 | G3/4" | |||
| 5000 | 1750 | 600 | 400X300 | 200 | 125 | 125 | 125 | 65 | 65 | G3/4” | ||
| 1900 | 600 | 400X300 | 200 | 125 | 125 | 125 | 65 | 65 | G3/4” | |||
| 6300 | 1900 | 600 | 400X300 | 200 | 125 | 150 | 125 | 65 | 65 | G3/4" | ||
| 8000 | 2200 | 700 | 400X300 | 200 | 125 | 150 | 125 | 80 | 80 | G3/4" | ||
| Nominal Volume VN/L | Nominal Diameter DN/mm | Total Volume VJ/L | Jacket Heat Transfer Area /tn2 | Do /mm | Eh / mm | D2 /mm | D3 /mm | D4 /mm | H0 /mm | |
| K Type | F Type | |||||||||
| 300 | 800 | 369 | 1.9 | 560 | 900 | 1200 | 32 | — | 1504 | |
| 500 | 900 | 573 | 2.6 | 630 | 1000 | 1300 | 50 | — | 1734 | |
| 800 | 1000 | 878 | 3.7 | 700 | 1100 | 1405 | 50 | 740 | 1940 | |
| 1000 | 1200 | 1132 | 4.5 | 840 | 1300 | 1640 | 50 | 950 | 1904 | |
| 1200 | 1132 | 3.9 | 840 | 1300 | 1640 | 50 | 950 | 1500 | ||
| 1500 | 1300 | 1714 | 5.2 | 910 | 1450 | 1790 | 65 | 1020 | 2234 | |
| 1300 | 1704 | 4.6 | 910 | 1450 | 1790 | 65 | 1020 | 1800 | ||
| 2000 | 1450 | 2530 | 6.7 | 1020 | 1600 | 2070 | 65 | 1200 | 2325 | |
| 1450 | 2300 | 7.4 | 1020 | 1600 | 2070 | 65 | 1200 | 2205 | ||
| 3000 | 1600 | 3380 | 9.3 | 1120 | 1750 | 2225 | 65 | 1300 | 2700 | |
| 1600 | 3811 | 9.74 | 1120 | 1750 | 2225 | 65 | 1300 | 2550 | ||
| 5000 | 1750 | 5435 | 13.4 | 1220 | 1900 | 2420 | 80 | 1400 | 3335 | |
| 1900 | 5734 | 12.4 | 1330 | 2050 | 2570 | 80 | 1450 | 2730 | ||
| 6300 | 1900 | 6868 | 14.8 | 1330 | 2050 | 2570 | 80 | 1450 | 3120 | |
| 8000 | 2200 | 8976 | 16.5 | 1540 | 2350 | 2870 | 80 | 1650 | 3120 | |